| Availability: | |
|---|---|
| Quantity: | |
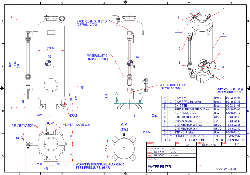
Re-Hardening Water Filter PH-Adjusting Filter for Fresh Water Generator
Rehardening Water Filter is designed up to latest technology of fresh water fine treatment.
The unit can remove solid particles, alga and other foreign without changing tastes, meanwhile the PH value can be adjusted in middle, which cause no damage to pipe and sanitary system onboard, and inhibits corrosion occur.
The filter tank is made in Stainless Steel, inner strainer and piping completed prior to delivery. The filter material is loose supply, and to be filled accordingly after unit positioned onboard.
The unit equipped with safety valve, vent valve, three-way valve etc, which arranged for performing filtering and back-flushing purpose.

Technical Specification
| Model | FIL-1.5 | FIL-3 | FIL-5 | FIL-8 | FIL-10 | FIL-15 | FIL-25 |
| Capacity(m 3 /h) | 1.5 | 3 | 5 | 8 | 10 | 15 | 25 |
| Volume (L) | 75 | 150 | 300 | 500 | 750 | 1000 | 2000 |
| Filter Sand (kg) | 35 | 75 | 150 | 250 | 350 | 450 | 900 |
| PH media (kg) | 25 | 50 | 125 | 200 | 350 | 450 | 900 |
Re-Hardening Water Filter PH-Adjusting Filter for Fresh Water Generator
Rehardening Water Filter is designed up to latest technology of fresh water fine treatment.
The unit can remove solid particles, alga and other foreign without changing tastes, meanwhile the PH value can be adjusted in middle, which cause no damage to pipe and sanitary system onboard, and inhibits corrosion occur.
The filter tank is made in Stainless Steel, inner strainer and piping completed prior to delivery. The filter material is loose supply, and to be filled accordingly after unit positioned onboard.
The unit equipped with safety valve, vent valve, three-way valve etc, which arranged for performing filtering and back-flushing purpose.

Technical Specification
| Model | FIL-1.5 | FIL-3 | FIL-5 | FIL-8 | FIL-10 | FIL-15 | FIL-25 |
| Capacity(m 3 /h) | 1.5 | 3 | 5 | 8 | 10 | 15 | 25 |
| Volume (L) | 75 | 150 | 300 | 500 | 750 | 1000 | 2000 |
| Filter Sand (kg) | 35 | 75 | 150 | 250 | 350 | 450 | 900 |
| PH media (kg) | 25 | 50 | 125 | 200 | 350 | 450 | 900 |